DEHONG 德鸿 WTL710-025X10-DZ 200线对远心镜头
基本参数
放大倍数(X)
0.25
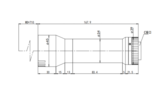
物距
710
景深(mm)
10.3
远心度
0.08
光学畸变
0.08
光圈
F7.8
MTF>0.3(LP/MM)
120
相机接口
C
支持CCD尺寸
1''
最大外径
45
视野范围(mm x mm)
1" CMV4000(11.26*11.26)
45*45
1" PYTHON5000 (12.4*9.8)
49.6*39.2
1" IMX255 (14.1*7.5)
56.4*30
1" IMX183 (13.1*8.7)
43.7*29

0755-83512170 手机/微信:13249819590 QQ:2577758288 邮箱:2577758288@qq.com