DEHONG 德鸿 WTL105-0875X57 远心镜头
基本参数
放大倍数(X)
0.875
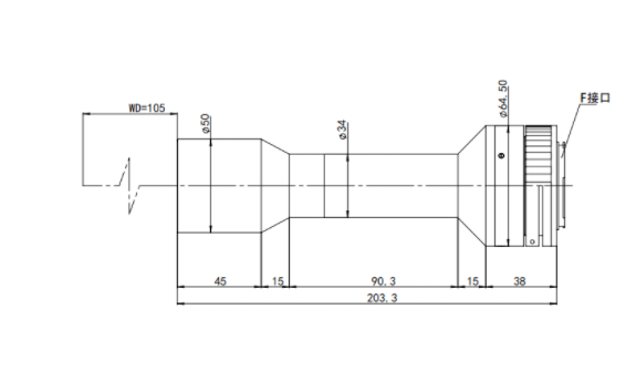
物距
105
景深(mm)
0.8
远心度
<0.1
光学畸变
<0.1
光圈
F7.5
MTF>0.3(LP/MM)
120
相机接口
F
支持CCD尺寸
28mm
最大外径
50
视野范围(mm x mm)
1.75 CMV12000 (22.5*16.9)
25.7*19.3
1.75 PYTHON16K (18.4*18.4)
21.1*21.1
1.75 LiNeScan-4k(28.8)
32.9

0755-83512170 手机/微信:13249819590 QQ:2577758288 邮箱:2577758288@qq.com