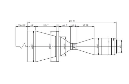
DEHONG 德鸿 WTL160-049F62 远心镜头
基本参数
放大倍数(X)
0.49
物距
160
景深(mm)
5.26
远心度
<0.1
光学畸变
<0.1
光圈
15.31
MTF>0.3(LP/MM)
60
相机接口
M72
支持CCD尺寸
62''
最大外径
175
视野范围(mm x mm)
KAI43142 (36*24)
73.5*49
KAI-47051 (48.7*29)
99.4*59.2
62'' 12K线扫描12288*5UM
125.3

0755-83512170 手机/微信:13249819590 QQ:2577758288 邮箱:2577758288@qq.com