CR灿锐 XF-GY3995-022X 面阵镜头
| 倍率 | 0.17-0.22-0.26 |
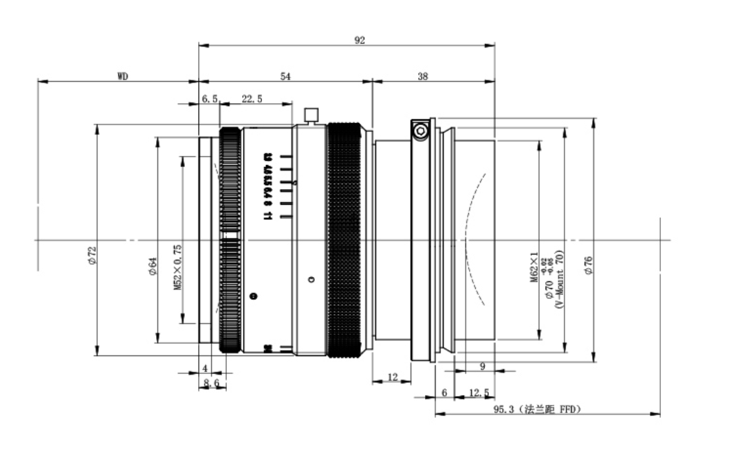
| 工作距(mm) | 411.8-599.1 |
| 共轭距(mm) | 584.3-763.1 |
| 法兰距(mm) | 90.7-99 |
| 像面尺寸(mm) | 67.0 |
| 焦距(mm) | 95.0 |
| 畸变(%) | 0.04%-0.096% |
| 工作波段(nm) | 400-1100 |
| 物方NA | 0.023 |
| F数∞(F#) | 3.9-5.5 |
| 景深COC=3.5μmX1.4 | 0.71-2.18 |
| 景深COC=5μmX1.4 | 1.02-3.12 |
| MTFT @100lp/mm | 0.1-0.39 |
| MTFS @100lp/mm | 0.25-0.41 |
| MTFT @75lp/mm | / |
| MTFS @75lp/mm | / |
| MTFT @40lp/mm | / |
| MTFS @40lp/mm | / |

0755-83512170 手机/微信:13249819590 QQ:2577758288 邮箱:2577758288@qq.com