LELMAC雷马克 IMAR-LA100WHV 环形照明

| 模型 | IMAR-LA100RHV | 伊玛-LA100WHV | 伊玛-LA100BHV |
|---|---|---|---|
| 产品编号 | 129-811 | 129-810 | 129-812 |
| 发光颜色 | ![]() | ![]() | ![]() |
| 色温/峰值波长 | 630nm(典型值) | 6500K 典型值 | 465nm(典型值) |
| 输入电压 | 直流24V | ||
| 能量消耗 | 9W | 10.5W | |
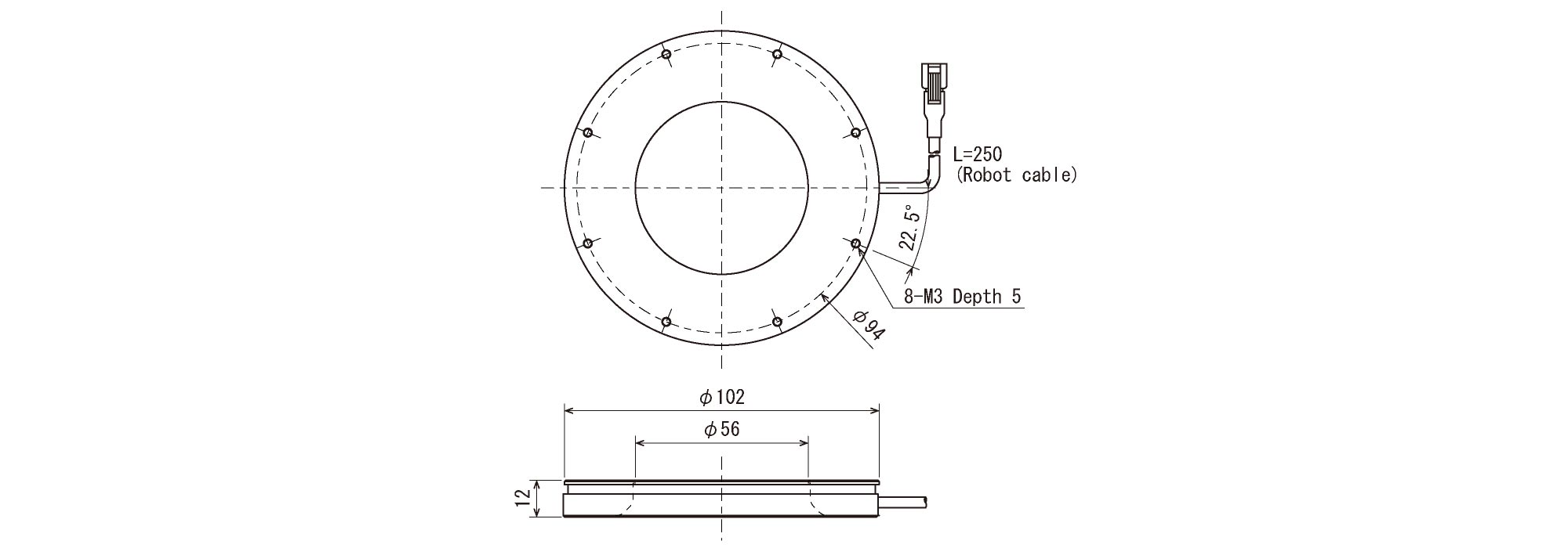
| 电缆长度 | 250毫米 | ||
| 输入连接器 | SM连接器(SMR-03V-B) | ||
| 极性 | 1:+ 2:NC 3:- | ||
| 工作温度 | 0~+40℃ | ||
| 工作湿度 | 35-85%(非冷凝) | ||
| 大量的 | 120克 | ||
0755-83512170 手机/微信:13249819590 QQ:2577758288 邮箱:2577758288@qq.com