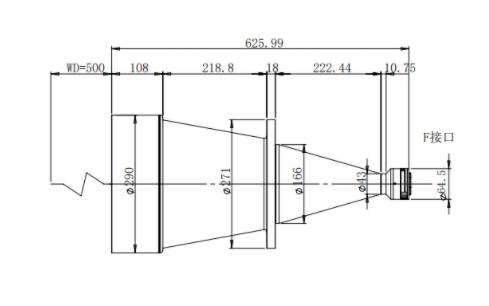
DEHONG 德鸿 WTL500-009XFF 远心镜头
基本参数
放大倍数(X)
0.09
物距
500
景深(mm)
76.4
远心度
<0.1
光学畸变
<0.1
光圈
F7.5
MTF>0.3(LP/MM)
100
相机接口
F
支持CCD尺寸
4/3
最大外径
290
视野范围(mm x mm)
4/3基恩士21M(17.8*14.3)
204.4*152.2
4/3 PYTHON12K (18.4*13.8)
204.4*153.3

0755-83512170 手机/微信:13249819590 QQ:2577758288 邮箱:2577758288@qq.com