DEHONG 德鸿 WTL410-006X10 远心镜头
基本参数
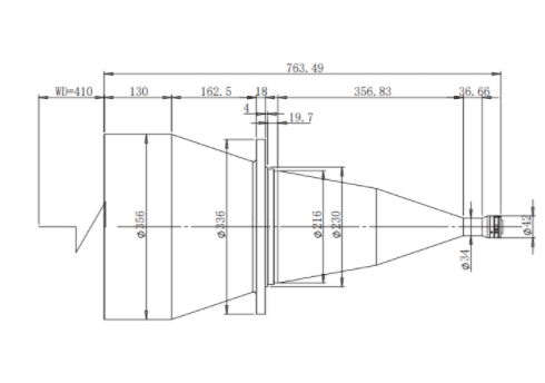
放大倍数(X)
0.06
物距
410
景深(mm)
99.999
远心度
<0.1%
光学畸变
<0.1%
光圈
F15
MTF>0.3(LP/MM)
>120
相机接口
C
支持CCD尺寸
1
最大外径
356
视野范围(mm x mm)
1" CMV4000(11.26*11.26)
187.7*187.7
1" PYTHON5000 (12.4*9.8)
206.7*163.3
1" IMX255 (14.1*7.5)
235*125
1" IMX183 (13.1*8.7)
218.3*145

0755-83512170 手机/微信:13249819590 QQ:2577758288 邮箱:2577758288@qq.com