CR灿锐 XF-PTL13711-C 远心镜头
| 光学结构 | 双远心 |
| 倍率X | 0.08 |
| 物方视野(mm) | 137.5 |
| 像方视野(mm) | 11 |
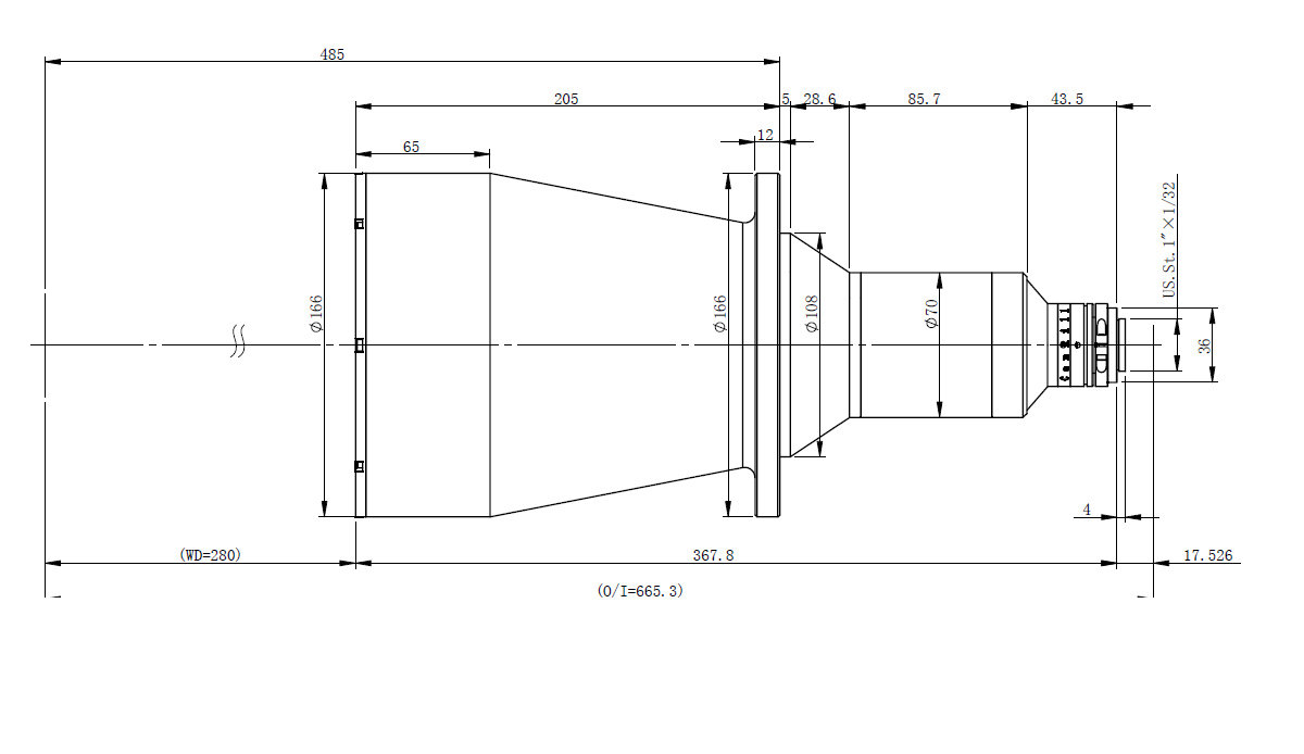
| 工作距离(mm) | 280 |
| 远心设计值(°) | 0.04 |
| 景深(mm) | 136.2 |
| 光圈 | F8 |
| 分辨力(μm) | 66 |
| 光学畸变设计值(%) | 0.07 |
| O/I(mm) | 665.3 |
| 最大口径(mm) | 166 |
| 镜头总长(mm) | 367.8 |
| 芯片类型 | 2/3 |
| 芯片长 | 8.45 |
| 芯片宽 | 7.07 |
| 对角线 | 11 |
| 物方视野长 | 105.6 |
| 物方视野宽 | 88.4 |
| 镜头接口 | C接口 |

0755-83512170 手机/微信:13249819590 QQ:2577758288 邮箱:2577758288@qq.com