DEHONG 德鸿 WTL220-029X30 远心镜头
基本参数
放大倍数(X)
0.29
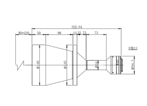
物距
220
景深(mm)
9.5
远心度
<0.1
光学畸变
<0.1
光圈
F9.7
MTF>0.3(LP/MM)
120
相机接口
F
支持CCD尺寸
2‘’
最大外径
146
视野范围(mm x mm)
2" DALSA 12M (24.5*18.4)
84.8*63.6
2" PYTHON 25K (23*23)
79.4*79.4

0755-83512170 手机/微信:13249819590 QQ:2577758288 邮箱:2577758288@qq.com