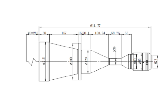
DEHONG 德鸿 WTL285-034X61 远心镜头
基本参数
放大倍数(X)
0.34
物距
285
景深(mm)
10.7
远心度
<0.1
光学畸变
<0.1
光圈
F15
MTF>0.3(LP/MM)
75
相机接口
M72
支持CCD尺寸
60mm
最大外径
215
视野范围(mm x mm)
KAI43142 (36*24)
105.9*70.6
KAI-47051 (48.7*29)
143.2*85.3
Linesean-16K (57.4)
168.8

0755-83512170 手机/微信:13249819590 QQ:2577758288 邮箱:2577758288@qq.com