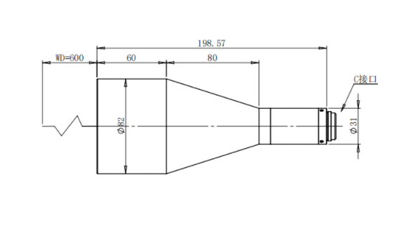
DEHONG 德鸿 WTL600-0125X23 远心镜头
基本参数
放大倍数(X)
0.125
物距
600
景深(mm)
23.6
远心度
<0.1
光学畸变
<0.1
光圈
F4.5
MTF>0.3(LP/MM)
100
相机接口
C
支持CCD尺寸
2/3
最大外径
82
视野范围(mm x mm)
2/3 IMX250/264 (8.4*7.1)
67.2*56.8
2/3 PYTHON2000 (9.2*5.7)
73.6*45.6
2/3 ICX674 (8.7*6.5)
70.4*52.8

0755-83512170 手机/微信:13249819590 QQ:2577758288 邮箱:2577758288@qq.com