DEHONG 德鸿 WTL66-1.24X57 远心镜头
基本参数
放大倍数(X)
1.24
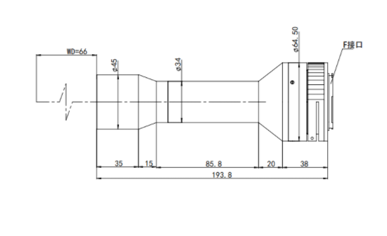
物距
66
景深(mm)
0.8
远心度
<0.1
光学畸变
<0.1
光圈
F15
MTF>0.3(LP/MM)
100
相机接口
F
支持CCD尺寸
28mm
最大外径
45
视野范围(mm x mm)
1.75 CMV12000 (22.5*16.9)
18.1*13.6
1.75 PYTHON16K (18.4*18.4)
14.9*14.9
1.75 LiNeScan-4k(28.8)
23.2

0755-83512170 手机/微信:13249819590 QQ:2577758288 邮箱:2577758288@qq.com