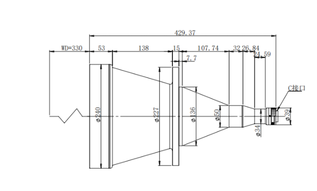
DEHONG 德鸿 WTL330-0085X10 远心镜头
基本参数
放大倍数(X)
0.085
物距
330
景深(mm)
25
远心度
<0.1%
光学畸变
<0.1%
光圈
F6.8
MTF>0.3(LP/MM)
150
相机接口
C
支持CCD尺寸
1
最大外径
240
视野范围(mm x mm)
1" CMV4000(11.26*11.26)
132.5*132.5
1" PYTHON5000 (12.4*9.8)
145.8*115.2
1" IMX255 (14.1*7.5)
166.9*88.3
1" IMX183 (13.1*8.7)
154.5*103.1

0755-83512170 手机/微信:13249819590 QQ:2577758288 邮箱:2577758288@qq.com