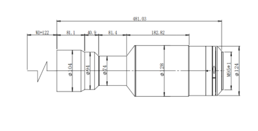
DEHONG 德鸿 WTL122-1.41X88 远心镜头
基本参数
放大倍数(X)
1.41
物距
122
景深(mm)
0.29
远心度
<0.1
光学畸变
<0.1
光圈
F7
MTF>0.3(LP/MM)
115
相机接口
M95
支持CCD尺寸
88mm
最大外径
104
视野范围(mm x mm)
82'' Linescan-16K5um(81.9mm)
58.1
88'' Linescan-24K3.5um(86.0mm)
61

0755-83512170 手机/微信:13249819590 QQ:2577758288 邮箱:2577758288@qq.com