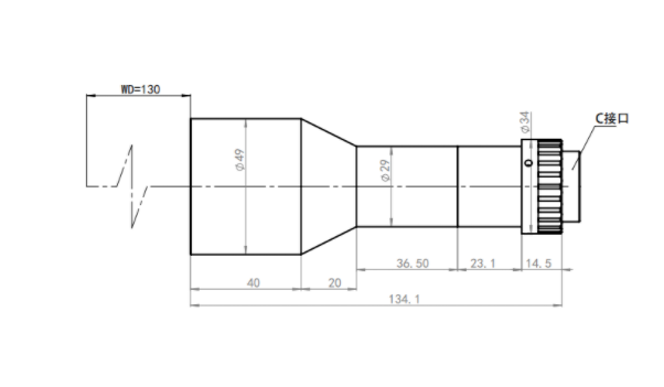
DEHONG 德鸿 WTL130-06X20 远心镜头
基本参数
放大倍数(X)
0.6
物距
130
景深(mm)
2.3
远心度
<0.1
光学畸变
<0.1
光圈
F10
MTF>0.3(LP/MM)
100
相机接口
C
支持CCD尺寸
1.1
最大外径
49
视野范围(mm x mm)
1.1 IMX253/304 (14.1*10.3)
23.3*17.2
1.1 IMX542 (14.5*8.3)
24.2*13.8
1.1 GAX0505 (12.8*12.8)
21.3*21.3

0755-83512170 手机/微信:13249819590 QQ:2577758288 邮箱:2577758288@qq.com