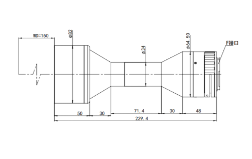
DEHONG 德鸿 WTL150-076X35 远心镜头
基本参数
放大倍数(X)
0.76
物距
150
景深(mm)
2.2
远心度
<0.1
光学畸变
<0.1
光圈
F15.2
MTF>0.3(LP/MM)
95
相机接口
F
支持CCD尺寸
43mm
最大外径
82
视野范围(mm x mm)
1.75 LiNeScan-4k(28.8)
37.7
CMV50000 (36.4*27.6)
47.9*36.3
KAI43142 (36*24)
47.4*31.6

0755-83512170 手机/微信:13249819590 QQ:2577758288 邮箱:2577758288@qq.com