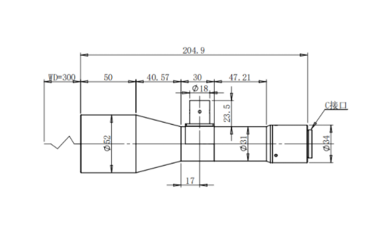
DEHONG 德鸿 WTL300-15T18 远心镜头
基本参数
放大倍数(X)
1.5
物距
300
景深(mm)
0.4
远心度
<0.1
光学畸变
<0.1
光圈
F11
MTF>0.3(LP/MM)
100
相机接口
C
支持CCD尺寸
1/1.8
最大外径
52
视野范围(mm x mm)
1/1.8 IMX178 (7.4*4.9)
4.9*3.3
1/1.8 (IMX252/265) (7.1*5.3)
4.7*3.5
1/1.8 EV76C570 (7.2*5.4)
4.8*3.6
1/1.8 EV76C560 (6.7*5.4)
4.5*3.6

0755-83512170 手机/微信:13249819590 QQ:2577758288 邮箱:2577758288@qq.com