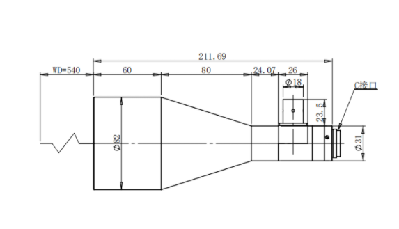
DEHONG 德鸿 WTL540-014T6 远心镜头
基本参数
放大倍数(X)
0.14
物距
540
景深(mm)
25.8
远心度
<0.1
光学畸变
<0.1
光圈
F5
MTF>0.3(LP/MM)
140
相机接口
C
支持CCD尺寸
1/2
最大外径
82
视野范围(mm x mm)
1/2.5 9Pool/31 (5.7*4.2)
40.7*30
1/2 python1300 (6.1*4.9)
43.6*35

0755-83512170 手机/微信:13249819590 QQ:2577758288 邮箱:2577758288@qq.com