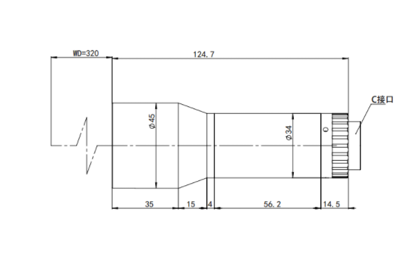
DEHONG 德鸿 WTL320-035X10-DZ 200线对远心镜头
基本参数
放大倍数(X)
0.35
物距
320
景深(mm)
5.4
远心度
0.08
光学畸变
0.08
光圈
F8
MTF>0.3(LP/MM)
120
相机接口
C
支持CCD尺寸
1''
最大外径
45
视野范围(mm x mm)
1" CMV4000(11.26*11.26)
32.2*32.2
1" PYTHON5000 (12.4*9.8)
35.4*28
1" IMX255 (14.1*7.5)
40.3*21.4
1" IMX183 (13.1*8.7)
37.4*24.9

0755-83512170 手机/微信:13249819590 QQ:2577758288 邮箱:2577758288@qq.com