DEHONG 德鸿 WTL90-06X10 远心镜头
基本参数
放大倍数(X)
0.6
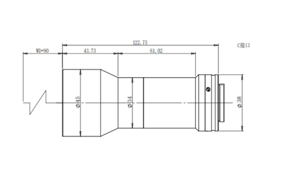
物距
90
景深(mm)
1.5
远心度
<0.1%
光学畸变
<0.1%
光圈
F12
MTF>0.3(LP/MM)
>110
相机接口
C
支持CCD尺寸
1
最大外径
45
视野范围(mm x mm)
1" CMV4000(11.26*11.26)
18.8*18.8
1" PYTHON5000 (12.4*9.8)
20.7*16.3
1" IMX255 (14.1*7.5)
23.5*12.5
1" IMX183 (13.1*8.7)
21.8*14.5

0755-83512170 手机/微信:13249819590 QQ:2577758288 邮箱:2577758288@qq.com