DEHONG 德鸿 WTL65-028T23 远心镜头
基本参数
放大倍数(X)
0.28
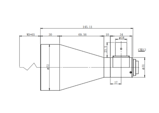
物距
65
景深(mm)
2.8
远心度
<0.1%
光学畸变
<0.1%
光圈
F5.6
MTF>0.3(LP/MM)
150
相机接口
C
支持CCD尺寸
2/3
最大外径
72
视野范围(mm x mm)
2/3 IMX250/264 (8.4*7.1)
30*25.4
2/3 PYTHON2000 (9.2*5.7)
32.9*20.4
2/3 ICX674 (8.7*6.5)
31.4*23.6

0755-83512170 手机/微信:13249819590 QQ:2577758288 邮箱:2577758288@qq.com