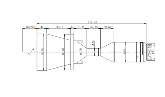
DEHONG 德鸿 WTL210-0497X67 远心镜头
基本参数
放大倍数(X)
0.497
物距
210
景深(mm)
4.4
远心度
<0.1
光学畸变
<0.1
光圈
F13
MTF>0.3(LP/MM)
80
相机接口
M72
支持CCD尺寸
67mm
最大外径
175
视野范围(mm x mm)
67'' IMX411(53.42*40)
107.5*80.5

0755-83512170 手机/微信:13249819590 QQ:2577758288 邮箱:2577758288@qq.com