COOLENS视清 DTCA121-13.3-G 工业镜头
基本参数
支持CCD尺寸(Φmm)
20(1.2")
物方视场FOV(Φmm)
13.3
放大倍率β(x)
1.5
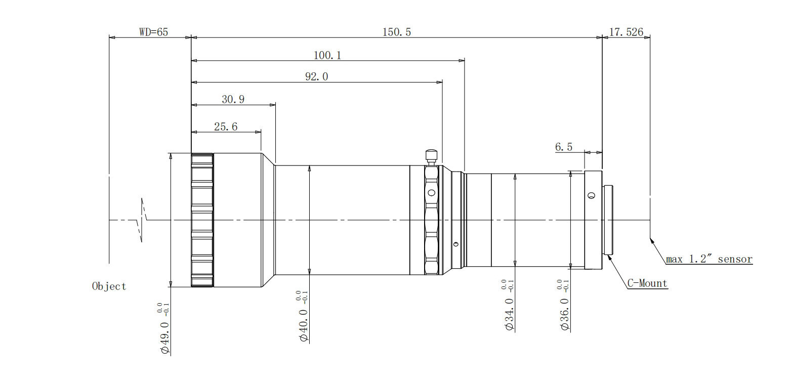
物方工作距WD(mm)
65
像方F/#
5.6-32
像方畸变(% max)
0.05
物方远心度(° max)
0.1
物像距I/O(mm)
233
镜头总长(mm)
150.5
镜头接口
C
像方MTF30(lp/mm)
167-32.5
物方数值孔径 N.A
0.133-0.0234
物方分辨率(μm)
2.5-14.32
工作波长(nm)
420~660
视野范围(mmxmm)
1.2" IMX530/540 (14.6X12.6)
9.7x8.4

0755-83512170 手机/微信:13249819590 QQ:2577758288 邮箱:2577758288@qq.com