COOLENS视清 WWH60-63CTV4-IR1300 远心镜头
基本参数
支持CCD尺寸(Φmm)
11.0(2/3")
放大倍率β(x)
6
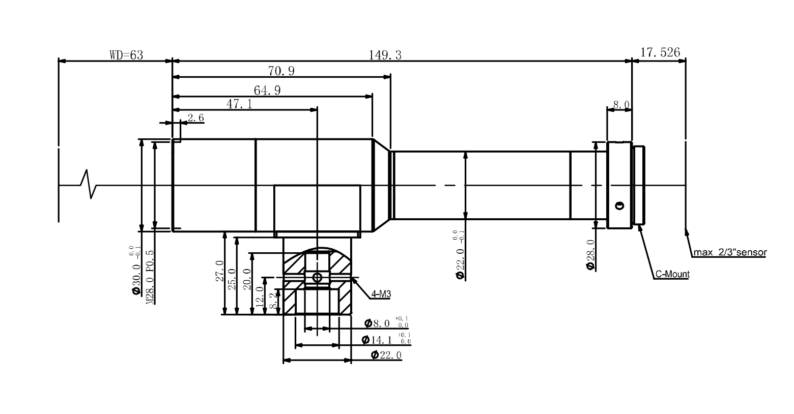
物方工作距WD(mm)
63±1
像方F/#
20
物方景深DOF(mm)
0.04
像方畸变(% max)
0.08
物方远心度(° max)
0.06
镜头总长(mm)
149.3
镜头接口
C
物方分辨率(μm)
5.3
数值孔径 NA
0.15
是否同轴光
是
可变光栏
无
视野范围 (mmxmm)
1/2" (6.4x4.8)
1.07x0.8
1/1.8" (7.13x5.37)
1.19x0.9
2/3"(8.45x7.1)
1.41x1.18
结构图

0755-83512170 手机/微信:13249819590 QQ:2577758288 邮箱:2577758288@qq.com