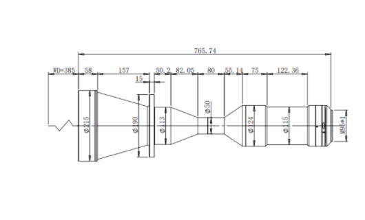
DEHONG 德鸿 WTL385-053F82 远心镜头
基本参数
放大倍数(X)
0.53
物距
385
景深(mm)
7.1
远心度
<0.1
光学畸变
<0.1
光圈
F24
MTF>0.3(LP/MM)
60
相机接口
M95
支持CCD尺寸
82mm
最大外径
215
视野范围(mm x mm)
KAI43142 (36*24)
67.9*45.3
Linesean-16K (57.4)
108.2
82'' Linescan-16K5um(81.9mm)
154.6

0755-83512170 手机/微信:13249819590 QQ:2577758288 邮箱:2577758288@qq.com