DEHONG 德鸿 WTL28-043X25 远心镜头
基本参数
放大倍数(X)
0.43
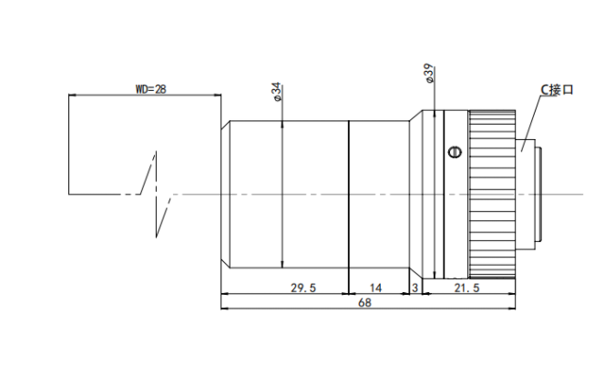
物距
28
景深(mm)
2.7
远心度
<0.1%
光学畸变
<0.1%
光圈
F5
MTF>0.3(LP/MM)
120
相机接口
C
支持CCD尺寸
1/2.5
最大外径
34
视野范围(mm x mm)
1/2.5 9Pool/31 (5.7*4.2)
13.3*10

0755-83512170 手机/微信:13249819590 QQ:2577758288 邮箱:2577758288@qq.com