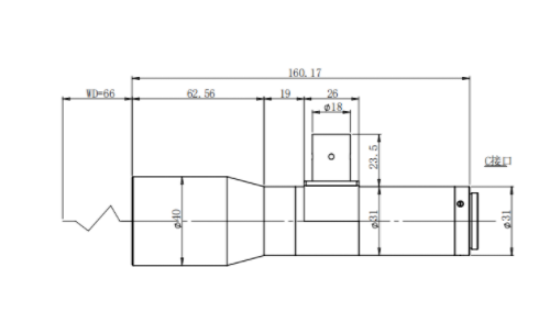
DEHONG 德鸿 WTL66-15T12 远心镜头
基本参数
放大倍数(X)
1.5
物距
66
景深(mm)
0.25
远心度
<0.1
光学畸变
<0.1
光圈
F6.8
MTF>0.3(LP/MM)
120
相机接口
C
支持CCD尺寸
1.2
最大外径
40
视野范围(mm x mm)
1.1 IMX253/304 (14.1*10.3)
9.5*6.9
1.2‘’IMX540(14.6*12.6)
9.7*8.4

0755-83512170 手机/微信:13249819590 QQ:2577758288 邮箱:2577758288@qq.com