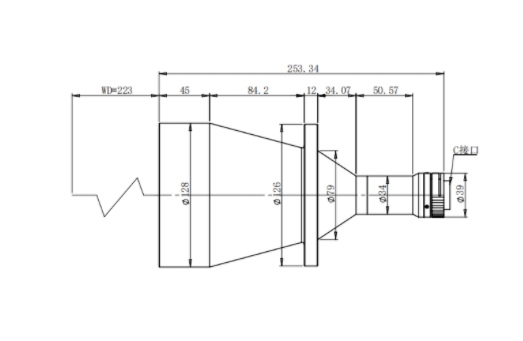
DEHONG 德鸿 WTL223-016X10-128 远心镜头
基本参数
放大倍数(X)
0.16
物距
223
景深(mm)
19.83
远心度
<0.1
光学畸变
<0.1
光圈
6.15
MTF>0.3(LP/MM)
120
相机接口
C
支持CCD尺寸
1‘’
最大外径
128
视野范围(mm x mm)
1" CMV4000(11.26*11.26)
70.4*70.4
1" PYTHON5000 (12.4*9.8)
77.5*61.3
1" IMX255 (14.1*7.5)
88.146.9
1" IMX183 (13.1*8.7)
81.9*54.4

0755-83512170 手机/微信:13249819590 QQ:2577758288 邮箱:2577758288@qq.com