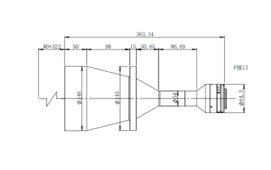
DEHONG 德鸿 WTL322-032X33 远心镜头
基本参数
放大倍数(X)
0.32
物距
322
景深(mm)
8.6
远心度
<0.1
光学畸变
<0.1
光圈
F10.7
MTF>0.3(LP/MM)
180
相机接口
F
支持CCD尺寸
2''
最大外径
146
视野范围(mm x mm)
4/3 PYTHON12K (18.4*13.8)
56.3*42.2
1.75 CMV12000 (22.5*16.9)
70.3*52.8
2" DALSA 12M (24.5*18.4)
76.6*57.5

0755-83512170 手机/微信:13249819590 QQ:2577758288 邮箱:2577758288@qq.com