DEHONG 德鸿 WTL220-022-HRDZ 远心镜头
基本参数
放大倍数(X)
0.22
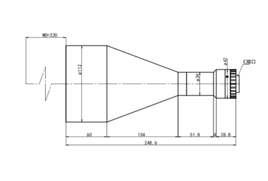
物距
220
景深(mm)
8.52
远心度
<0.1
光学畸变
<0.1
光圈
5
MTF>0.3(LP/MM)
180
相机接口
C
支持CCD尺寸
1.1‘’
最大外径
112
视野范围(mm x mm)
1.1 IMX253/304 (14.1*10.3)
64.1*46.8
1.1 IMX542 (14.5*8.3)
65.9*37.7
1.1 GAX0505 (12.8*12.8)
58.2*58.2

0755-83512170 手机/微信:13249819590 QQ:2577758288 邮箱:2577758288@qq.com