DEHONG 德鸿 WTL165-022X10-DZ 200线对远心镜头
基本参数
放大倍数(X)
0.22
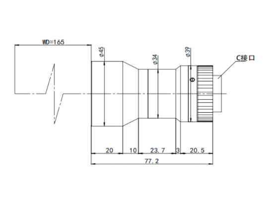
物距
165
景深(mm)
8.5
远心度
0.08
光学畸变
0.08
光圈
5
MTF>0.3(LP/MM)
120
相机接口
C
支持CCD尺寸
1
最大外径
45
视野范围(mm x mm)
1" CMV4000(11.26*11.26)
51.2*51.2
1" PYTHON5000 (12.4*9.8)
56.3*44.5
1" IMX255 (14.1*7.5)
64.5*34.1
1" IMX183 (13.1*8.7)
59.7*39.8

0755-83512170 手机/微信:13249819590 QQ:2577758288 邮箱:2577758288@qq.com